Поверхневі насоси
- +380 (67) 355-66-33Київстар
- +380 (68) 565-34-03Київстар
- +380 (67) 355-66-33Київстар
- +380 (68) 565-34-03Київстар
- +380 (67) 355-66-33Київстар
- +380 (68) 565-34-03Київстар
- +380 (67) 355-66-33Київстар
- +380 (68) 565-34-03Київстар
Поверхневі насоси - коротко про все
Відсутність водопровідних інженерних мереж - проблема найбільш часто зустрічається на дачних ділянках, в селах, і селищах міського типу. Воду споживачі добувають в основному з колодязів. Здавалося б все добре - джерело води - є, але постійне тягання відер з водою здатне втомити навіть самого енергійного людини, навіть якщо колодязь всього в декількох метрах від будинку. Рішення проблеми досить просте: щоб забезпечити автоматичну подачу води в будинок - необхідно придбати водяний насос.
Насоси для підйому і подачі води в будинок діляться на два типи: заглибні і поверхневі . У даній статті ми розглянемо поверхневі насоси.
Що собою являє поверхневий насос.
Не складно здогадатися що такі насоси встановлюються на поверхні - про це говорить і сама назва обладнання. Для забору води в колодязь опускається водозабірних шланг, але на глибину не більше 9-ти метрів, це і є основним обмеженням поверхневих насосів. Якщо вода в колодязі або свердловині залягає глибше - слід розглядати для застосування насоси свердловин.
У свою чергу поверхневі насоси діляться на два типи - відцентрові і вихрові.
Вихрові насоси не можуть похвалитися великою глибиною всмоктування і застосовуються найчастіше
для вирівнювання або підняття рівня тиску в водопроводі. Конструкцію такого насоса становить електродвигун на валу якого, в насосній камері, закріплено робоче колесо з лопатями, яке і перекачують воду.
Відцентрові ж насоси, називають їх ще і самовсмоктуючий, цілком придатні для підняття питної води з неглибоких колодязів - з глибини до 9 метрів. Робочий механізм організований електричним двигуном і насосної частиною, подібно як і у вихрових насосів, але крильчаток тут уже кілька, вони створюють негативний тиск на вході, яке і піднімає рідина з водопроводу з глибини колодязя, і відповідно позитивний тиск на виході - для подачі піднятою рідини в цільової пункт.
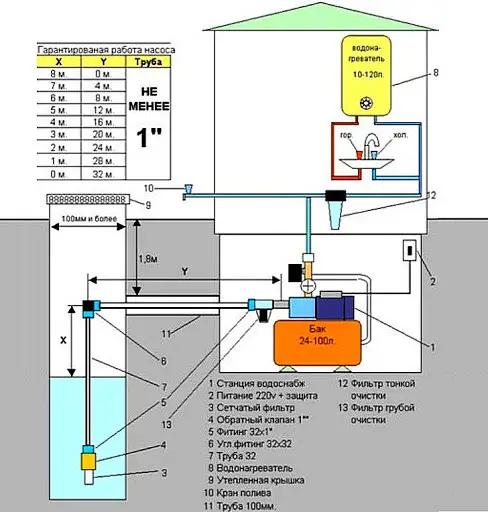
Варто зауважити що для організації автоматичного водопостачання, одного тільки поверхневого насоса буде недостатньо, знадобиться ще і напірний накопичувальний бак і блок управління (реле тиску) - в комплексі все це обладнання іменується - " насосна станція ".
Важливі пункти, які необхідно врахувати при виборі поверхневого насоса.
Перше з чим необхідно визначитися - це мета використання апарату. Для поливу городу буде досить і не особливо продуктивного насоса, а ось якщо необхідно забезпечити водою котедж - знадобиться агрегат серйозніше.
Потім необхідно визначити глибину від дзеркала води до місця установки насоса, і вибрати поверхневий насос володіє достатнім показником глибини всмоктування. Величина ця позначається в метрах і при цьому вимірюється вертикальний трубопровід, горизонтальний же трубопровід розраховується в співвідношенні 1: 4.
Наступний етап - розрахунок максимального напору насоса. Мається на увазі величина яка позначає відстань на яке насос повинен доставити воду, тобто від насоса до найбільш віддаленого пункту забору. Тут співвідношення вертикаль-горизонталь розраховується у співвідношенні 1:10.
Виробники поверхневих насосів.
Віддати перевагу одному конкретному виробнику неможливо, так як технічно досконаліший і виконане з дорогих матеріалів обладнання, та ще й з хорошою гарантійної і післягарантійної підтримкою, варто зовсім не дешево. Тут для кожного покупця - свій товар. Але варто задуматися скільки прослужить дешевий насос, і у скільки обійдеться його ремонт або заміна. Знаючі люди не дарма кажуть: "Скупий платить двічі". Найбільш безвідмовними і довговічними показали себе оригінальні поверхневі насоси від виробників Pedrollo , Grundfos , DAB , Speroni . Бійтеся підробок! На ринку зараз можна зустріти безліч підробок складно відмітних від оригіналу, зроблених з дешевих матеріалів і не здатних забезпечити заявлені показники.



















